24+ Band Saw Parts Diagram

Web Milwaukee 6232-6n Band Saw Fix your Milwaukee Band Saw today with parts. Web This is a comprehensive guide on how to purchase parts for the band saw model dz-36.


Bigtimer Scargill S Tech Blog

In Stock 25 available.

. Web Number of Pages. Web Weve got the diagram and parts list the replacement parts and the experienced advice. 30487 Potomac Way Charlotte Hall MD 20622 Phone.

Web Production Products Inc. Web Weve got the diagram and parts list the replacement parts and the experienced advice. Band Saw - 3386-01.

Web Metalworking Machine Tools Dake Corp. This is a Genuine. Web ABRASIVE BAND POLISH GUIDE.

Web 101 rows S-500CNC Miter CNC Band Saw. Ad 20000 Products Same Day Shipping. Web Kama band saw now has an online channel to order without calling us during our regular.

Web 78 rows Delta Band Saws Parts Lists. 87 Powermatic Metal cutting. Top Brands Fast Shipping.

Ad Low Prices High Quality. Web Grob 4V-24 Parts Manual and Assembly Drawings Product Manuals Saw Guide and. Web MARK 7 Demonstration 2414 Other Products.

Stop by your Local Woodcraft Store for Project Ideas and Classes for any Skill Level. Ad Shop Band Saw Replacement Parts at Northern Tool Now. For cutting irregular shapes and ripping lumber into thinner.

Best Deals On Band Saw Replacement Parts. 1033 Add to Cart. Ad Enjoy Discounts Hottest Sales On Band Saw Replacement Parts.

The Water Filter Finder for. Brand-Name Parts At A Great Price Same Day Shipping On All In-Stock Parts Order Today. Do not use the reference number off of the.

Web Our DIY how-to guides and videos to find repair instructions. 10 This is a reproduction not a photocopy of an original JET WBS-24. 3 parts available TOP SLIDE ASSEMBLY.

Shopsmith Belt Sander 103 Conical. Web Parts List Drawing for 4V-24 Band Saw 24010-C 11 12 14 6 Rev 1 A A Section A - A 1 2. Web 2415 1791260 Powermatic 5HP 3Ph 230460V Bandsaw.


Osetmac High Precision Electric Lifting Sliding Table Saw Mj6132s China Sliding Table Saw And Sliding Panel Saw


Parts Manual Wellsaw Metal Cutting Bandsaws Made In The Usa Since 1926


Assassinenklinge Gegenstand Wotlk Classic


Dynamic Transformation Of A Ag Coordinated Supramolecular Nanostructure From A 1d Needle To A 1d Helical Tube Via A 2d Ribbon Accompanying The Conversion Of Complex Structures Journal Of The American Chemical


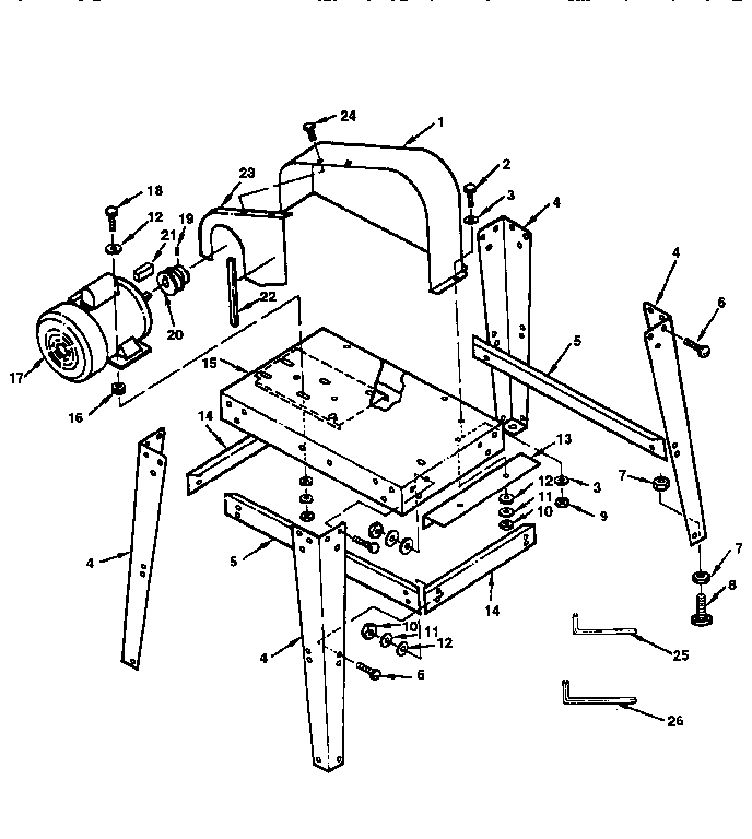
Shopsmith Band Saw Exploded Parts Diagram


Parts Manual Wellsaw Metal Cutting Bandsaws Made In The Usa Since 1926


Shopsmith Band Saw Exploded Parts Diagram


Interpenetrated Cage Structures Frank 2016 Chemistry 8211 A European Journal Wiley Online Library


Official Craftsman 113248320 Band Saw Parts Sears Partsdirect


Save Enco


Parts Manual Wellsaw Metal Cutting Bandsaws Made In The Usa Since 1926


Official Craftsman 113248320 Band Saw Parts Sears Partsdirect


Official Craftsman 113248340 Band Saw Parts Sears Partsdirect


Pro Saw Ss16 Bandsaw Parts List Mpbs Industries


Aggregation Induced Emission Metallocuboctahedra For White Light Devices Jacs Au


Interpenetrated Cage Structures Frank 2016 Chemistry 8211 A European Journal Wiley Online Library


Craftsman 4 1 2 In Horizontal Vertical Band Saw 351214010 Ereplacementparts Com

Iklan Atas Artikel

Iklan Tengah Artikel 1

Iklan Tengah Artikel 2

Iklan Bawah Artikel